Our customer support is first class with trained engineers based in many countries to
offer quick and reliable service.
We are making a company of trust with a unified heart.
We provide Optical Tech Products through Ion Beam Coating Systems.
The models are classified according to the functions and specifications of the product.



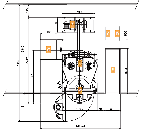
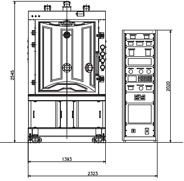
| System Model | UNIVAC-1050 | |
|---|---|---|
| Process Chamber | Ø1050×H1280 | |
| Pumping System | Diffusion | 22”×2sets |
| Mechanical booster Pump | 1,200㎥h-1 | |
| Oil Rotary Pump | 300㎥h-1 | |
| Meissner Trap | Polycold | |
| Substrate Carrier | Calotte Diameter | 1000mm |
| Substrate Heating | Halogen Heater | Up to 250℃ |
| Evaporation Source | Electron Beam Source | 10kw |
| Thermal Source | 5kw | |
| Substrate Treatment | Ion Source | 4kw |
| Thin Film Thickness Monitioring |
Quartz Crystal Thickness Monitoring | SQM |
| Optical Thickness Monitoring(optional) | OPM | |
| Utility | Power | 3ph 380/220V |
| Freequency | AC 50/60Hz | |
| Power | 90kw(Max) | |
| Water Pressure | 2 ~ 4kgf/ ㎠ | |
| Air Pressure | 5 ~ 6kgf/ ㎠ | |
| Floor Load Weight | 3,500kgs(approx) | |

Copyright(c) UNIVAC. All rights reserved.